製品情報

超小型PT

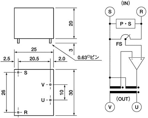
電力計測用超小型PT(アクティブPT )/キューブ型 PAT・R ※生産中止

APT-2B

〔特 長〕
・超小型トランスと出力電圧フィードバックによる位相補償回路を内蔵、優れた比誤差・位相角特性を実現。
・計器用変成器(PT)に比べて大幅な小型軽量化が可能。
・電子回路直接インターフェース用の1V出力で標準化。
・75V〜250Vと広い一次電圧範囲に対応。
・自己電源方式で外部制御電源が不要。
・200V:1Vのトランスと等価回路。

>>サンプル価格:\-
>>在庫情報:-

APT-2B

大量ロット・取引条件についてご相談ください。

商品を大量にご購入いただく場合、価格や納期のご相談を承ります。お取り引き条件等については個別に相談とさせていただきます。
お問い合わせフォームはこちら
見積依頼フォームはこちら

カタログダウンロード

お問い合わせ 製品・お見積などお気軽にお問い合わせください!!

商品を大量にご購入いただく場合、価格や納期のご相談を承ります。
お取り引き条件等については個別に相談とさせていただきます。
お問い合わせフォームはこちら
見積依頼フォームはこちら

お問い合わせ 製品・お見積などお気軽にお問い合わせください!! 見積依頼フォーム お問い合わせフォーム