![]()
APT-2S(200V:1V)
〔特 長〕
・超小型トランスと出力電圧フィードバックによる位相補償回路を内蔵、優れた比誤差・位相角特性を実現。
・機器用変成器(PT)に比べて大幅な小型軽量化が可能。
・電子回路直接インターフェース用の1V出力で標準化。
・75V〜250Vと広い一次電圧範囲に対応。
・自己電源方式で外部制御電源が不要。
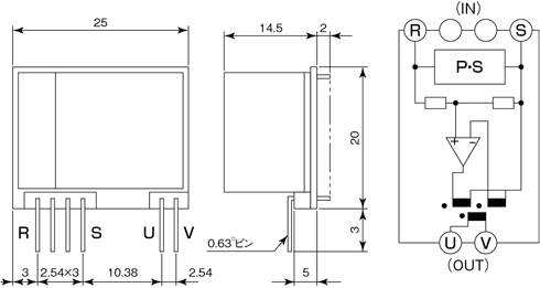
・200V:1Vのトランスと等価回路。
>>サンプル価格:\2,700
>>在庫情報:サンプル在庫/ロット受注品
大量ロット・取引条件についてご相談ください。
商品を大量にご購入いただく場合、価格や納期のご相談を承ります。お取り引き条件等については個別に相談とさせていただきます。
・お問い合わせフォームはこちら
・見積依頼フォームはこちら
| 型式 | APT-2S (200V:1V) |
|---|---|
| 定格1次電圧:En | 200V(75〜250V) |
| 定格出力電圧比 | 200V:1V |
| 定格周波数 | 50Hz/60Hz |
| 過電圧耐量 | 1.4×En/連続、2×En/1s |
| 比誤差 | ±1%FS以内 |
| 位相角 | ±30分以内(特性図参照) |
| 許容負荷抵抗 | 100KΩ以上 |
| 内部消費電流 | 3mA(Typ) |
| 耐電圧 | AC2000V(50/60Hz)、1min(入力端子一括〜出力端子一括間) |
| 絶縁抵抗 | DC500V、≧100MΩ(入力端子一括〜出力端子一括間) |
| 使用条件 | −20〜75℃、80%RH以下・結露のないこと |
| 保存条件 | −30〜95℃、80%RH以下・結露のないこと |
| 質量 | 約10g |
| RoHS対応状況 | 10物質対応 |
〔注意事項〕
・50/60Hzの商用電源専用です。
・立ち上がり数サイクルは、出力が得られません。
・電圧・周波数・波形等が、商用電源と異なる場合はお問合せください。



![]()