製品情報

製品比較はこちら

新製品一覧

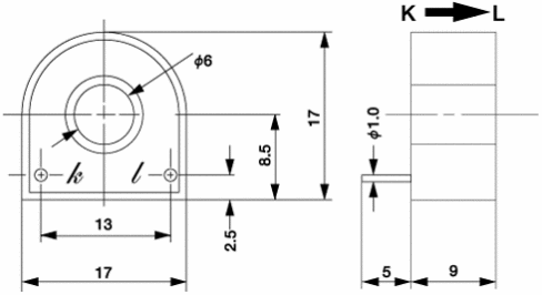
精密計測用CTL-Zシリーズ

プリント板水平取付・超小型精密計測用交流電流センサ

CTL-6-L-Z

〔特 長〕
・プリント板水平取付用ストレートピン。精密計測用CTL-Zシリーズの最小型機種。
・超小型品ながら貫通穴は(φ6)を確保。重量約5gで、貫通導体と一体でプリント板に直接搭載する組立法に最適。
・高透磁率パーマロイコアの採用で、1mA〜15Aのワイドレンジをカバー。
・800:1の高変流比で直接電子回路へのインターフェースが可能。

>>サンプル価格:\1,750
>>在庫情報:在庫有

CTL-6-L-Z

大量ロット・取引条件についてご相談ください。

商品を大量にご購入いただく場合、価格や納期のご相談を承ります。お取り引き条件等については個別に相談とさせていただきます。
お問い合わせフォームはこちら
見積依頼フォームはこちら

カタログダウンロード

お問い合わせ 製品・お見積などお気軽にお問い合わせください!!

商品を大量にご購入いただく場合、価格や納期のご相談を承ります。
お取り引き条件等については個別に相談とさせていただきます。
お問い合わせフォームはこちら
見積依頼フォームはこちら

お問い合わせ 製品・お見積などお気軽にお問い合わせください!! 見積依頼フォーム お問い合わせフォーム