![]()
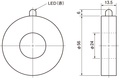
CTL-6-W/CTL-24
〔特 長〕
・小型の電流トランス(CT)と発光表示用LEDを一体のケースに封止した構造。
・交流電流が流れる電線を中心の穴に貫通させるだけで、通電状況をモニターできる簡便で信頼性の高いLED表示器。
>>サンプル価格:\1,360/2,400
>>在庫情報:サンプル在庫/ロット受注品
大量ロット・取引条件についてご相談ください。
商品を大量にご購入いただく場合、価格や納期のご相談を承ります。お取り引き条件等については個別に相談とさせていただきます。
・お問い合わせフォームはこちら
・見積依頼フォームはこちら
| 型式 | CTL-6-W | CTL-24 |
|---|---|---|
| 適用電線径 | φ5.8以下 | φ24以下 |
| 許容貫通電流 | 1〜20A(50/60Hz正弦波)(連続) 50A(1min) 100A(1s) | 1.2A〜320A(50/60Hz正弦波) (連続) (限流抵抗内蔵) |
| 最小発光電流 | 1A | |
| 使用条件 | −20〜75℃ | |
| RoHS対応状況 | 10物質対応 | |
備考
(1)使用例1:ヒータなどの断線表示
(2)使用例2:負荷軽重の視認の為の負荷表示用パイロットランプ
(3)使用例3:スイッチなどの切忘れ防止
(4)使用例4:配電盤の負荷状況インジケータ


![]()