![]()
![]()
![]()
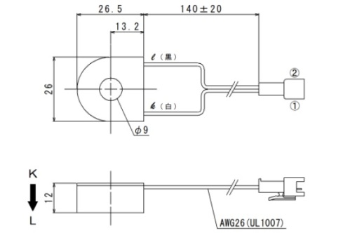
CTL-9L-10X
〔特 長〕
・精密計測用の小型センサ
・ナノ結晶軟磁性材料を採用することで小型でありながら1mA~80Aのワイドレンジをカバー。
・1°以下の位相角(10Ω以下 特性図参照)。
・微小電流領域で良好な出力直線性(特性図参照)。
・1000:1の高変流比で二次電流が小さく直接電子回路へのインターフェースも可能。
・仕上外径9mm未満のビニル絶縁電線を使用した交流電流測定に適したモデル。
>>サンプル価格:\1,800
>>在庫情報:サンプル在庫有 量産は問合せ下さい
大量ロット・取引条件についてご相談ください。
商品を大量にご購入いただく場合、価格や納期のご相談を承ります。お取り引き条件等については個別に相談とさせていただきます。
・お問い合わせフォームはこちら
・見積依頼フォームはこちら
| 型式 | CTL-9L-10X |
|---|---|
| 適用電流 | 1mA〜80A(50Hz/60Hz RL≦10Ω) |
| 許容最大電流 | 150Arms 連続(50Hz/60Hz 正弦波) |
| 出力特性 | 出力電圧特性参照 |
| 直線性 | ±1%FS(Io=50A f=50/60Hz RL=10Ω) |
| 位相角 | ±1°(Io=50A f=50/60Hz RL=10Ω) |
| 公称変流比 | 1000:1 |
| 二次巻線抵抗 | 22Ω(参考値) |
| 耐電圧 | AC2000V(50/60Hz)、1min(貫通穴-出力端子一括間) |
| 絶縁抵抗 | DC500V、≧100MΩ(貫通穴-出力端子一括間) |
| 使用条件 | -20℃〜+75℃、≦80%RH、結露のないこと |
| 保存条件 | -30℃〜+90℃、≦80%RH、結露のないこと |
| 構造 | PBT樹脂ケース |
| 出力リード線 | UL1007ビニール電線(AWG26×150mm) |
| 出力コネクタ | ピンコンタクト:SYM-001T-P0.6 リセプタクルハウジング:SMR-02V (日本圧着端子製造梶j |
| 適合端子 | ソケットコンタクト:SHF-001T-0.8BS プラグハウジング:SMP-02V-BC、NC (日本圧着端子製造梶j(付属しません) |
| 質量 | 約15g |
| RoHS対応状況 | 10物質対応 |
備考
(1)リード線には1kg以上の無理な引張力がかからないようにしてください。
(2)製品の仕様・検査等の記載内容において、特別に記述が無い場合は常温・常湿・その他異常や振動の無い環境での測定を基準としたものであり、使用温度・使用条件範囲内での全ての性能を保証するものではありません。
(3)通電中の二次側開放は高電圧が発生する場合があり危険ですし、故障の原因になります。
(4)落下等の強い衝撃を与えるとケース破損や特性が低下する場合がありますのでお取り扱い時には注意願います。
(5)屋外暴露では使用することはできません。
(6)基本的には50/60Hzでご使用いただく製品ですが、高周波でご使用の場合は、CTの発熱にご注意ください。




![]()