製品情報

製品比較はこちら

新製品一覧

分割・クランプ型センサ

広帯域・接地線モニタ用クランプ式交流電流センサ(φ22/120Arms)

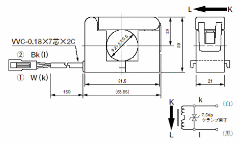
CTU-22-CLF

〔特 長〕
・100mm2までの接地線に取付可能な貫通穴径φ22のワンタッチクランプ型CT。
・1mA〜120Aの超ワイドレンジで良好な出力直線性が得られる。
・過電圧クランプ素子を内蔵。
・近接導体の影響を低減したフェライトコア・分割巻線構造を採用。

>>サンプル価格:\3,620
>>在庫情報:お問い合わせ下さい

CTU-22-CLF

大量ロット・取引条件についてご相談ください。

商品を大量にご購入いただく場合、価格や納期のご相談を承ります。お取り引き条件等については個別に相談とさせていただきます。
お問い合わせフォームはこちら
見積依頼フォームはこちら

カタログダウンロード

お問い合わせ 製品・お見積などお気軽にお問い合わせください!!

商品を大量にご購入いただく場合、価格や納期のご相談を承ります。
お取り引き条件等については個別に相談とさせていただきます。
お問い合わせフォームはこちら
見積依頼フォームはこちら

お問い合わせ 製品・お見積などお気軽にお問い合わせください!! 見積依頼フォーム お問い合わせフォーム