製品情報

製品比較はこちら

新製品一覧

精密計測用CTL-Zシリーズ

高変流比・大出力・高精度電流センサ

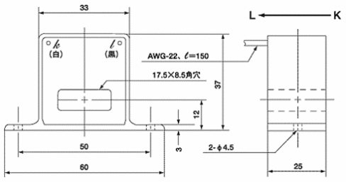
CTU-8-S50-60

〔特 長〕
・フェライトコアと高変流比の組合せによる万能型・多機能電流センサ。
・高変流比CTの為、小型で高い出力電圧を得ることが可能。
・ 1mA〜1Aの微少電流から、1A〜80Aの大電流領域まで良好な出力直線性。

>>サンプル価格:\2,600
>>在庫情報:お問い合わせ下さい

CTU-8-S50-60

大量ロット・取引条件についてご相談ください。

商品を大量にご購入いただく場合、価格や納期のご相談を承ります。お取り引き条件等については個別に相談とさせていただきます。
お問い合わせフォームはこちら
見積依頼フォームはこちら

カタログダウンロード

お問い合わせ 製品・お見積などお気軽にお問い合わせください!!

商品を大量にご購入いただく場合、価格や納期のご相談を承ります。
お取り引き条件等については個別に相談とさせていただきます。
お問い合わせフォームはこちら
見積依頼フォームはこちら

お問い合わせ 製品・お見積などお気軽にお問い合わせください!! 見積依頼フォーム お問い合わせフォーム