![]()
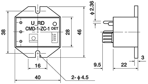
CMD-1-ZC-1
・交流電流センサ(CTL-Zシリーズ)との組合せで、漏電電流を検出するためのモジュールです。
・10〜27VDCの単電源で駆動し、漏電時自己保持機能付のフォトカプラ・オープンコレクタ出力です。
・漏電電流感度は、(CTL-24-S28-10Z)を基準センサとしたとき7mA〜50mAの間、調整可能です。条件設定を変えればある程度任意の電流値に設定できます。
>>サンプル価格:\
>>在庫情報:
大量ロット・取引条件についてご相談ください。
商品を大量にご購入いただく場合、価格や納期のご相談を承ります。お取り引き条件等については個別に相談とさせていただきます。
・お問い合わせフォームはこちら
・見積依頼フォームはこちら
| 適用電流センサ | 漏電電流設定範囲 |
|---|---|
| CTL-12-S60-7Z | 5〜36mA |
| CTL-24-S28-10Z | 7〜50mA |
| CTL-24-S28-20Z | 12〜98mA |
| CTL-10-CLS | 16〜140mA |
| CTL-16-CLS | 16〜140mA |
| CTU-22-CLF | 13〜85mA |
・上記の設定範囲は、代表値です。
出荷時は(CTL-24-S28-10Z)を基準センサとして、動作点(30mA)に調整済です。
| 制御電源 | DC10〜27V/20mA |
|---|---|
| 出力側 | VCE:DC35V MAX IC:70mA MAX フォトカプラ オープンコレクタ出力 |
・付属品
入力側:リセプタクル端子台(LVF-01T-2.36N)
スリープ(SIP-LV)……………… 各3個
出力側:モレックス、ターミナル(5159TL)4個
ハウジング(5051-04)………………1個


・微小な漏電検知を行うときは、検出する電線を電流センサの貫通穴にNターンすることで、動作感度はN倍となります。
・動作感度を下げたいときは、電流センサ出力端子に抵抗(RL)を並列に接続します。
E0=IZ・Rt/n=7.5(mV)
を目安として計算できます。
E0:電流センサ出力電圧(V)
IZ:漏電電流設定値(A)
Rt:RLとAMPの入力抵抗(250Ω)との
並列合成抵抗値(Ω)
n:電流センサ巻数(ターン)
・連続最大許容電流100A
・動作時出力は自己保持します。リセットは制御電源OFFにより行います。
![]()