製品情報

通電・漏電検知モジュール

中型・交流無電源電流リレー(トランジスタ出力型)

CTL-12-CS200

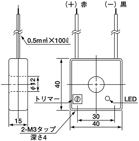
・交流電流センサと通電検知回路をパッケージ化した、オールインワン構造です。
・無電源で、モジュールの貫通穴に電線を通すだけで、オープンコレクタ出力が得られます。
・動作点は、50−200AACの間、設定トリマーにより正確に設定できます。
・設定値の150%連続過電流でも正常に動作します。

>>サンプル価格:\
>>在庫情報:

CTL-12-CS200

大量ロット・取引条件についてご相談ください。

商品を大量にご購入いただく場合、価格や納期のご相談を承ります。お取り引き条件等については個別に相談とさせていただきます。
お問い合わせフォームはこちら
見積依頼フォームはこちら

カタログダウンロード

お問い合わせ 製品・お見積などお気軽にお問い合わせください!!

商品を大量にご購入いただく場合、価格や納期のご相談を承ります。
お取り引き条件等については個別に相談とさせていただきます。
お問い合わせフォームはこちら
見積依頼フォームはこちら

お問い合わせ 製品・お見積などお気軽にお問い合わせください!! 見積依頼フォーム お問い合わせフォーム