製品情報

製品比較はこちら

新製品一覧

分割・クランプ型センサ

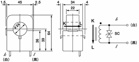
中型・電力機器用クランプ式交流電流センサ(φ24/300Arms)

CTL-24-CLS

〔特 長〕
・φ24までの電線に対応する、中型・大電流CT。
・分電盤など既存設備への取付が容易なナイロンスプリング・ワンタッチクランプ型。
・0.1〜300Aまでの広範囲な電流に対応。
・過電圧クランプ素子を内蔵。

>>サンプル価格:\3,350
>>在庫情報:サンプル在庫有 量産は問合せ下さい

CTL-24-CLS

大量ロット・取引条件についてご相談ください。

商品を大量にご購入いただく場合、価格や納期のご相談を承ります。お取り引き条件等については個別に相談とさせていただきます。
お問い合わせフォームはこちら
見積依頼フォームはこちら

カタログダウンロード

お問い合わせ 製品・お見積などお気軽にお問い合わせください!!

商品を大量にご購入いただく場合、価格や納期のご相談を承ります。
お取り引き条件等については個別に相談とさせていただきます。
お問い合わせフォームはこちら
見積依頼フォームはこちら

お問い合わせ 製品・お見積などお気軽にお問い合わせください!! 見積依頼フォーム お問い合わせフォーム