![]()
HCS-AS-CLシリーズ
〔特 長〕
・センサ・アンプ一体構造・分割取付型
・絶縁計測ができる
・DC〜20kHz帯の高周波までの計測が可能 (高周波でのご使用の場合、定格電流まで使用できなくなる場合がございます)
・3μS以内の高速応答性
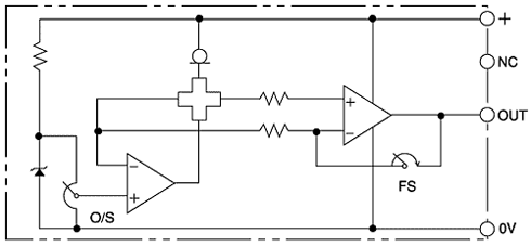
HCS-AS(CL)取扱説明書
>>サンプル価格:\11,200〜14,000
>>在庫情報:お問い合わせ下さい
大量ロット・取引条件についてご相談ください。
商品を大量にご購入いただく場合、価格や納期のご相談を承ります。お取り引き条件等については個別に相談とさせていただきます。
・お問い合わせフォームはこちら
・見積依頼フォームはこちら
| 型式 | HCS-20- (定格電流) -AS-CL | HCS-36- (定格電流) -AS-CL | ||||
|---|---|---|---|---|---|---|
| 定格電流(FS) | ±50A | ±100A | ±150A | ±200A | ±500A | |
| 出力電圧 | 2.5V±2V(無負荷時2.5Vを中心に±2Vの出力幅、推奨負荷抵抗≧10kΩ) | |||||
| 残留電圧 | 2.5V±20mV以内 (無負荷、電源12V) | |||||
| ノイズレベル | 10mVp-p以下 (無負荷) | |||||
| 直線性 | ±1%FS以内 (電源12V) | |||||
| ヒステリシス(FS→0) | ±15mV以内 | |||||
| 応答性 | 3μs以下 (di/dt=FS/2μs時) | |||||
| 出力電圧温度係数 | ±0.15%/℃ typ | |||||
| 残留電圧温度係数 | ±1.5mV/℃ typ | ±1mV/℃ typ | ||||
| 制御電源 | DC+8V〜+16V 単電源 (25mA typ/DC+12V、45mA typ/DC+16V) | |||||
| 耐電圧 | AC2500V、1min(貫通穴-出力端子一括間) | |||||
| 絶縁抵抗 | DC500V、≧500MΩ (貫通穴-出力端子一括間) | |||||
| 使用条件 | -10℃〜+60℃、≦85%RH、結露のないこと。 | |||||
| 保存条件 | -15℃〜+65℃、≦85%RH、結露のないこと。 | |||||
| 調整機能 | FS:最大出力調整、OS:無負荷時のゼロ点調整 (出荷時調整済み) | |||||
| 接続コネクタ | 5045-04 (モレックス) | |||||
| ネジ締めトルク | 0.3N・m | 0.7N・m | ||||
| 質量 | 約55g | 約210g | ||||
| 価格 | 11,200 | 14,000 | ||||
| RoHS 対応状況 | Lotにより6物質、10物質対応品有り (お問い合わせください) | 10物質対応 | 10物質対応 | |||
[備考]
(1)コアのヒステリシスで、定格を越える過電流後はその量に比例した0点変動が発生します。
(2)コア接合面は防錆処理してありますが、万一、錆が発生した場合は、CRC-556(市販品)スプレーで錆落としを行い、再塗布することで復旧できます。
(3)制御電源を誤接続した場合、製品が破壊することがありますのでご注意願います。
(4)残留電圧は出荷時、制御電源+12V時のもので、定格電流以上流れた場合はこの範囲に入りません。
(5)温度係数は代表値であり規格値ではありません。







![]()