![]()
HPS-01-AP
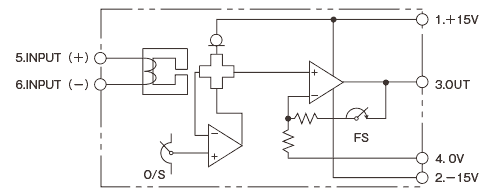
〔特 長〕
・±15Vの制御電源対応。
・一次巻線多数巻きで±100mAの微小電流の計測が可能。
・絶縁計測可能。
・DC〜AC1kHzの周波数帯域で使用可能。
・最大300%までの出力直線性 (ただし、精度保証は定格電流値であり、連続での使用は定格電流を超えないこと)。
「本製品は制御電源として±15V(+15Vと‐15Vの直流両電源)が必ず必要になります。」誤配線や、電源投入時等の過電圧・過電流で、製品故障となる可能性があります。
15V単電源を2台使用して、±15V出力でご使用する場合、片電源のみONする状態が継続されることで、故障する可能性がありますので、15V単電源を2台ご使用する場合は、2台ともONの状態でご使用ください。
>>サンプル価格:\4,600
>>在庫情報:サンプル在庫/ロット受注品
大量ロット・取引条件についてご相談ください。
商品を大量にご購入いただく場合、価格や納期のご相談を承ります。お取り引き条件等については個別に相談とさせていただきます。
・お問い合わせフォームはこちら
・見積依頼フォームはこちら
![]()