![]()
HPS-APシリーズ
〔特 長〕
・±15Vの制御電源対応。
・出力は0±4Vで方向判別可能。
・絶縁計測可能。
・DC〜20kHz帯の高周波までの計測が可能(高周波でのご使用の場合定格電流まで使用できなくなる場合がございます)。
・最大300%までの出力直線性(ただし、精度保証は定格電流値であり、連続での使用は定格電流を超えないこと)。
・過電流(最大パルス幅以内)でも破壊することがない。
・3μs以内の高速応答性。
「本製品は制御電源として±15V(+15Vと‐15Vの直流両電源)が必ず必要になります。」誤配線や、電源投入時等の過電圧・過電流で、製品故障となる可能性があります。
15V単電源を2台使用して、±15V出力でご使用する場合、片電源のみONする状態が継続されることで、故障する可能性がありますので、15V単電源を2台ご使用する場合は、2台ともONの状態でご使用ください。
>>サンプル価格:\2,300
>>在庫情報:量産品/常備在庫
大量ロット・取引条件についてご相談ください。
商品を大量にご購入いただく場合、価格や納期のご相談を承ります。お取り引き条件等については個別に相談とさせていただきます。
・お問い合わせフォームはこちら
・見積依頼フォームはこちら
| 型式 | HPS- (定格電流) -AP | |||||
|---|---|---|---|---|---|---|
| 定格電流(FS) | ±3A | ±5A | ±10A | ±15A | ±20A | ±25A |
| 非飽和最大電流 | ±9A | ±15A | ±30A | ±45A | ±60A | ±75A |
| 出力電圧 | ±4V/定格電流、±12V/最大電流(推奨負荷抵抗≧10kΩ) | |||||
| 残留電圧 | ±30mV以内 (無負荷) | |||||
| ノイズレベル | 40mVp-p以下 (無負荷) | |||||
| 出力精度 | ±1%FS以内 | |||||
| 直線性 | ±1%FS以内 | |||||
| ヒステリシス(FS→0) | ±15mV以内 | |||||
| 応答性 | 3μs以下 (di/dt=FS/2μs時) | |||||
| 出力電圧温度係数 | ±0.1%/℃typ | |||||
| 残留電圧温度係数 | ±1.5mV/℃typ | |||||
| 制御電源 | DC±15V±5% (25mA typ) 両電源 | |||||
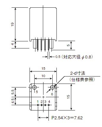
| 5,6端子径(dmm) | φ0.6 | φ0.9 | φ1.1 | φ1.4 | φ1.7 | φ1.8 |
| 一次巻線直線抵抗 | 28mΩ typ | 8.0mΩ typ | 2.8mΩ typ | 1.3mΩ typ | 0.7mΩ typ | 0.4mΩ typ |
| インダクタンス | 16μH typ | 5.1μH typ | 1.5μH typ | 0.7μH typ | 0.4μH typ | 0.2μH typ |
| 最大パルス幅 | 定格電流X 10倍/50msec | |||||
| 耐電圧 | AC2000V、1min(一次巻線-出力端子一括間) | |||||
| 絶縁抵抗 | DC500V、≧500MΩ (一次巻線-出力端子一括間) | |||||
| 使用条件 | -10℃〜+60℃、≦85%RH、結露のないこと。 | |||||
| 保存条件 | -15℃〜+65℃、≦85%RH、結露のないこと。 | |||||
| 質量 | 約8g | |||||
| RoHS 対応状況 | 10物質 対応 | 10物質 対応 | 10物質 対応 | 6物質 対応 | 6物質 対応 | 6物質 対応 |



| No.1 | +15V |
|---|---|
| No.2 | −15V |
| No.3 | OUTPUT |
| No.4 | GND |
| No.5 | INPUT(+) |
| No.6 | INPUT(−) |




![]()