技術情報

交流電流センサ・応用回路2

10.CT感度プログラム方式

・右図は(CTU-8-S50-60)を使用して、1V出力を得る負荷抵抗を、1A〜100Aまで1A刻みで設定できるよう構成した例です。
ON位置にある電流値の総和が設定感度となります。
(例:1A+4A+20A+30A=55A)
・CT選定のポイント
適用電流範囲で(K)値特性がフラットなCTと、なるべく低い抵抗値で構成すること。

11.無電源通電検知回路

・CT出力で出力用トランジスタ・ベースを直接ドライブする。
・D1 :シリコンダイオード,D2:ショットキーダイオード
・RBは、50A以上の大電流が流れる時以外は、必要ありません。
・Q1は、HFE500以上の高感度品を使用
・CTは、動作点での電圧が、2.5V以上の出力が得られるもの
・動作感度を上げるには、CTに貫通線を複数回巻く。

12.高感度通電検知回路

・CTL-6-P-Zで、動作点≈0.1Aの例
・A2出力までは回路例−5と類似回路
初段アンプA1 出力:e1≈0.1VDC
バッファーアンプA2 出力:e2≈0.66VDC
動作点変更は、R5の定数変更でA2ゲインを変える。
・出力は、トランジスタQ1のオープンコレクタ出力
・CTは、微小電流領域で安定な出力感度が得られる(CTL-Zシリーズ)とすること。

13.CTを利用した電源(+5V単電源/20mA)

・CTL-12-S36-4で、I0=10A〜100Aの例
・各部の電流とZDの発熱(PZ)検証
・E0=5VDCを得るには、e0≈(E0/0.9)+1V≈6.5VACが必要で、出力特性図の許容範囲内に入っていること。

I0のMIN/MAX10A100A
i0=K・I0/n22.5mA230mA
i1=0.9・i020mA207mA
iZ=i1−ICC 0187mA
PZ=iZ・5V 0935mW

14.CTを利用した電源(±5V両電源/10mA)

・CTL-12-S36-4で、I0=10A〜100Aの例
・各部の電流とZDの発熱(PZ)検証
・E0=5VDCを得るには、e0≈(E0/0.9)+0.5V≈6VACが必要で、出力電圧特性図の許容範囲内に入っていること。

I0のMIN/MAX10A100A
i0=K・I0/n22.5mA230mA
i1=0.9・i0/210mA104mA
iZ=i1−ICC 094mA
PZ=iZ・5V 0470mW

15.CT+LEDによる通電表示

・LED点灯に必要な条件
(1)CT開放電圧が2.5V以上であること。
(2)CT出力電流が1mA以上で微発光
5mA〜20mAで安定発光となる。
(3)CT偏磁防止用逆並列LEDを接続すること。
ダイオード3ケ直列で置換可。
・大電流用は右図(リミッタ付)の回路とし、LEDを保護すること。

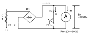
16.直流電流計の直接駆動

・CT出力電流で直流可動線輪形の100μA計、または1mA計を直接駆動できます。
・CT出力電流i1=0.9・K・I0/n
・i1>iMの場合は、メーターと並列に分流抵抗(RP+P1)を接続し、iMの値が定格電流となるよう(P1)を調整します。
・全波整流BRは、ショットキーダイオードを使用する。
・CT出力はEM以上となる余裕がある領域であること。

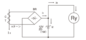
17.小型リレーの直接駆動

・CT出力電流で直接、小型リレーを駆動する。
・CT出力i1=0.9・K・I0/nで求め、リレーの感度電流以上であること。
・i1がiR定格値の110%以上の場合は、クランプ用ゼナーダイオードを並列に接続する。ZDの発熱PZ=12V・(i1−iR)がゼナーダイオードの定格電力(1W)以下であること。
・全波整流BRは、ショットキーダイオードを使用する。
・CT出力が12V以上となる余裕がある領域であること。

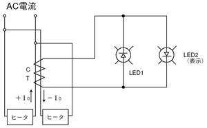
18.2本並列ヒーターの断線検出と表示

・同一定格のヒーターに流れる電流を1個のCTに逆方向に貫通させる。
・2本正常の場合は、逆相キャンセルとなりCTは出力0となっている。
・1本だけ断線すると、I0相当の出力がCT二次側に発生する。
・表示方法は、回路例-16,又は18と、同一回路で動作させられます。

19.CTを電源とした負荷レベル表示器

・LED表示電源用CT1と電流レベル検出用CT2を使用した、自己電源式の3点レベル表示器の実施例です。
・表示レベル設定値、適用電流範囲に応じて、適正なCTを選択することで、簡便で広範な応用が考えられ
ます。
・全波整流BRは、ショットキーダイオードを使用する。