
直流電流センサの基本コンセプト
U-RD直流電流センサシリーズは、リング状のギャップ付鉄芯と磁気センサとして、ホール素子を組合せた構造を基本としております。直流から高周波の交流までの電流を連続して計測することができ、3A〜2000Aまで広い範囲の用途に適合します。
直流電流センサ・シリーズラインナップと特長・用途
| (1)HPS-APシリーズ | PC板用・超小型・両電源アンプ内蔵(3A〜25A/75Ap) |
|---|
| (2)HPS-ASシリーズ | PC板用・超小型・単電源アンプ内蔵(3A〜25A) |
|---|
| (3)HCS-APシリーズ | 貫通型・中/大型・両電源アンプ内蔵(10A〜800A/2000Ap) |
|---|
| (4)HCS-ASシリーズ | 貫通型・中/大型・片電源アンプ内蔵(50A〜500A) |
|---|
| (5)HCS-AP-CLシリーズ | 分割型・中/大型・両電源アンプ内蔵(10A〜800A/2000Ap) |
|---|
| (6)HCS-SCシリーズ | 貫通型・サーボアンプ方式・精密計測用(25A〜250A) |
|---|
| (7)DCS-ASHシリーズ | 貫通型・微小直流計測専用(100mA、500mA、1A、2ADC) |
|---|
| (8)HPS-01-AP | PC板用・超小型・微小電流用(100mA/DC〜20Hz) |
|---|
(9)HCS-APCLSシリーズ
HCS-8-20AP-CL | 電線クランプ型(50A〜500A)
20A定格 |
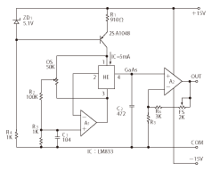
ホール素子センサの原理
貫通電流(Io)に比例した磁束は鉄芯で収束され、ギャップに挿入されたホール素子を貫通し、ホール効果によるホール電圧(VH)が発生します 。
【設計例】
・ギャップに発生する磁束密度(B)はおよそ
B=Io・μo/l(T)
l=1.6mmの時:B=Io・4π×10−7/1.6×10−3
・GaAsタイプホール素子の代表的な感度(Vh)は Ic=5mA;Vh=800mV/テスラ
・センサとしての電流感度(VH)はVH=B・Vh=0.628・Io(mV)
回路例−1(ホールアンプ方式)
(ポイント)
・ホール電圧を直接増幅し電圧出力を得る。
・A1:自動オフセット設定。
・A2:出力アンプ
アンプゲイン AV=(R5+R6+FS)/R5
AV=150以上は、推奨できません。
・C2:オーバーシュート防止用、f 特性により決定。
・PC板の設計・ノイズ対策は、充分な吟味が必要です。
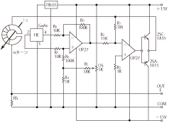
回路例−2(サーボアンプ方式)
(ポイント)
・ホールセンサ出力をフィードバックコイルに帰還させることで、鉄芯をゼロ磁束とする。サーボ回路を構成。
・この時コイルに流れる電流は、一次電流と等しい(AT)となる。出力は検出抵抗Rsの両端で検出する。
Eo=Rs・Io/n(V)となる。
・制御電源は(Io/n+回路動作電流)以上となるので要注意。
・Q1,Q2はIo/n(A)を駆動するバッファードライバ。
・Rsを接続しないで、電流出力とすることもできる。
・PC板設計・ノイズ対策は、充分な吟味が必要です。
型式表記例と機能説明
直流電流センサ・主要製品一覧表
| PC板用・超小型・±15V用アンプ内蔵 |
|---|
| HPS-3-AP | ±4V/±3A,9Ap |
|---|
| HPS-5-AP | ±4V/±5A,15Ap |
|---|
| HPS-10-AP | ±4V/±10A,30Ap |
|---|
| HPS-15-AP | ±4V/±15A,45Ap |
|---|
| HPS-20-AP | ±4V/±20A,60Ap |
|---|
| HPS-25-AP | ±4V/±25A,75Ap |
| PC板用・超小型・+12V用アンプ内蔵 |
|---|
| HPS-3-AS | 2.5V±2V/±3A |
|---|
| HPS-5-AS | 2.5V±2V/±5A |
|---|
| HPS-10-AS | 2.5V±2V/±10A |
|---|
| HPS-15-AS | 2.5V±2V/±15A |
|---|
| HPS-20-AS | 2.5V±2V/±20A |
|---|
| HPS-25-AS | 2.5V±2V/±25A |
| 貫通穴(φ20)・中型・±15V用アンプ内蔵 |
|---|
| HCS-20-10-AP | ±4V/±10A,25Ap |
|---|
| HCS-20-20-AP | ±4V/±20A,50Ap |
|---|
| HCS-20-50-AP | ±4V/±50A,125Ap |
|---|
| HCS-20-100-AP | ±4V/±100A,250Ap |
|---|
| HCS-20-150-AP | ±4V/±150A,375Ap |
|---|
| HCS-20-200-AP | ±4V/±200A,500Ap |
| 貫通穴(φ20)・中型分割式・±15V用アンプ内蔵 |
|---|
| HCS-20-10-AP-CL | ±4V/±10A,25Ap |
|---|
| HCS-20-20-AP-CL | ±4V/±20A,50Ap |
|---|
| HCS-20-50-AP-CL | ±4V/±50A,125Ap |
|---|
| HCS-20-100-AP-CL | ±4V/±100A,250Ap |
|---|
| HCS-20-150-AP-CL | ±4V/±150A,375Ap |
|---|
| HCS-20-200-AP-CL | ±4V/±200A,500Ap |
| 貫通穴(φ36)・大型・±15V用アンプ内蔵 |
|---|
| HCS-36-200-AP | ±4V/±200A,500Ap |
|---|
| HCS-36-500-AP | ±4V/±500A,1250Ap |
|---|
| HCS-36-800-AP | ±4V/±800A,2000Ap |
| 貫通穴(φ36)・大型分割式・±15V用アンプ内蔵 |
|---|
| HCS-36-200-AP-CL | ±4V/±200A,500Ap |
|---|
| HCS-36-500-AP-CL | ±4V/±500A,1250Ap |
|---|
| HCS-36-800-AP-CL | ±4V/±800A,2000Ap |
| 貫通穴(φ20)・中型・+8〜12V用アンプ内蔵 |
|---|
| HCS-20-50-AS | 2.5V±2V/±50A |
|---|
| HCS-20-100-AS | 2.5V±2V/±100A |
|---|
| HCS-20-150-AS | 2.5V±2V/±150A |
|---|
| HCS-20-200-AS | 2.5V±2V/±200A |
| 貫通穴(φ36)・大型・+8〜12V用アンプ内蔵 |
|---|
| HCS-36-200-AS | 2.5V±2V/±200A |
|---|
| HCS-36-500-AS | 2.5V±2V/±500A |
| 貫通穴(φ20)・精密計測用・サーボアンプ内蔵 |
|---|
| HCS-20-SC-A-2.5 | ±5V/±25A |
|---|
| HCS-20-SC-A-5 | ±5V/±50A |
|---|
| HCS-20-SC-A-10 | ±5V/±100A |
|---|
| HCS-20-SC-A-15 | ±5V/±150A |
|---|
| HCS-20-SC-A-25 | ±5V/±200A |
| サーボ式直流微小電流センサ |
|---|
| DCS-20-ASHシリーズ | 電源電圧の1/2を中心に±4/定格電流
100mA、500mA、1A、2A |
| 超小型直流微小電流センサ |
|---|
| HPS-01-AP | ±4V/±100mA |
| 直流分割クランプ型電流センサ |
|---|
| HCS-APCLSシリーズ | ±4V/±50A〜±500A |
