Technical

AC current sensor·Application circuit 2

11.Current detection circuit without power supply

· It can drive the base of the output transistor directly with the output of CT.
· D1:Silicon diode, D2:Schottky diode
· RB is not necessary except the timing to flow the high current more than 50A.
· It should use Q1 as the high sensitivity more than 500 of HFE.
· CT is selected as gaining more than 2.5V for output voltage at operating point. (ex:1A/CTL-6-P-H)
· Please turn the penetrated wire to increase the operating sensitivity.

12.High sensitivity current detection circuit

· Example of operating point ≈0.1A with CTL-6-P-Z
· It is same circuit as 5.until the output of A2.
First stage amplifier A1 output:e1≈0.1VDC
Buffer amplifier A2 output:e2≈0.66VDC
It changes the gain of A2 with changing the value of R5 to change the operating point.
· The output is the open collector output of transistor Q1.
· CT should be CTL-Z series which can gain the stable output sensitivity in the small current range.

13.Power supply with CT (+5V single power supply/20mA)

· Example of I0=10A-100A with CTL-12-S36-4
· Verification of the current in each part and heating of ZD (PZ)
· E0≈(E0/0.9)+1V≈6.5VAC is necessary, and it should be positioned with in the allowable range of output characteristic, to get E0=5VDC.

I0 of MIN/MAX10A100A
i0=K·I0/n22.5mA230mA
i1=0.9·i020mA207mA
iZ=i1-ICC 0187mA
PZ=iZ·5V 0935mW

14.Power supply with CT (±5V bi-polar power supply/10mA)

· Example of I0=10A-100A with CTL-12-S36-4
· Verification of the current in each part and heating of ZD (PZ)
· E0≈(E0/0.9)+0.5V≈6VAC is necessary, and it should be positioned with in the allowable range of output characteristic, to get E0=5VDC.

I0 of MIN/MAX10A100A
i0=K·I0/n22.5mA230mA
i1=0.9Xi0/210mA104mA
iZ=i1-ICC 094mA
PZ=iZ·5V 0470mW

15.Current indicator with CT+LED

· Necessary condition to turn the LED
(1)CT output voltage must be more than 2.5V.
(2)CT output current must be more than 1mA for slight lighting.
Stable lighting with 5mA-20mA
(3)Connect the LED in antiparallel for protection of bias magnetism of CT.
Possible to be substituted with 3 serial diodes
· For high current, the circuit of the right picture (including limiter) should be used, and it protects the LED.

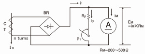
16.Direct driving of DC current meter

· With CT's output, it can drive the 100µA or 1mA current meter of DC moving coil type, directly.
· CT output current i1=0.9·K·I0/n
· In the case of i1>iM, the resistor for dividing current (RP + P1) should be connected in parallel to the meter, and (P1)should be adjusted for that iM becomes the nominal current.
· Schottky diode should be used for full wave rectification at BR.
· CT's output should be in the range to be more than EM with margin.

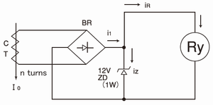
17.Direct driving of small relay

· With CT's output, the small relay can be droven directly.
· CT output with calculated by i1=0.9·K·I0/n should be
more than the sensitive current of the relay.
· In the case of that i1 is more than 110% of rated value
of iR, zener diode for clamping should be connected in
parallel. The heating of ZD, PZ=12V·(i1-iR), should be
less than the nominal power of the zener diode (1W).
· Schottky diode should be used for full wave rectification at BR.
· CT's output should be in the range to be more than 12V with margin.

18.Indicator and disconnection detection for 2 parallel heaters

· The current flowing to same nominal heaters should be penetrated into one CT at the opposite direction.
· In the normal case of both of 2 wires, CT's output is 0 with cancelling of opposite phase.
· In the case of disconnection of 1 wire, the output equal to I0 is occurring at the secondary of CT.
· The indicator can be operated same 15. as and 17.

19.Load level indicator with the power supply by CT

· It is the example of 3 points level indicator as self power supply type using the CT1 for the power supply of LED and the CT2 or current level detection.
· The simple, easy, and wide application can be though by selection of the appropriated CT according to the operated value of indicator level and applied current range.
· Schottky diode should be used for full wave rectification at BR.